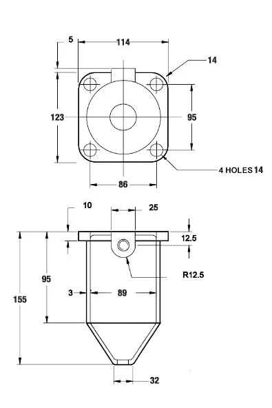
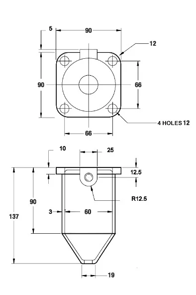
products

Wiping Gland

We have developed a wide range of Wiping Gland that is manufactured from heavy duty brass. Our range complies with BS standard BS 6121 part I 1989.

Wiping glands are made as per customers drawings & specifications.